1. Home
  2. / Products
  3. / Brush Self-cleaning Filter System
  4. / DSL Series Brush Self-cleaning Filter
Brush Self-cleaning Filter System

DSL Series Brush Self-cleaning Filter

  • Unit flow: 25-1200h, larger flow can be palleled by mulipl machines.
  • Min working pressure: 0. 2MPa; 0.6MPa; 1. OMPa; 1. 6MPa; 2. 5MPa; 4.OMPa.
  • Max operating temperature: 70℃.
  • Fitration accuracy: 80- 5000p.m.
  • Control mode: Diferential pressure, time and manual.
  • Cleaning time: 60 seconds.
  • Cleaning pressure loss: 0.01 -0.03MPa
  • Control voltage: Ac 220V.
  • Rated operating voltage: Thee-phase, 220V, 380V, 50HZ.

Product Description

DS brush-type self-cleaning filter is a fully automatic cleaning filter. A set of brushes is installed in the filter screen. The brushes are driven to rotate by a motor, and an electromagnetic drain valve is installed on the end cover of the filter. When cleaning, the signal from the differential pressure switch is transmitted to the control panel, the control panel opens the drain valve and starts the motor at the same time, driving the brush to rotate to brush off the sewage and impurities and discharge through the drain valve under the hydraulic force, no need to stop the flow for cleaning.

Performance

Model number Pipe diameter (MM) Filtered flow (t/h) Filter area (cm²)  Discharge capacity DN (MM) Primary wash flow(KG) Motor power (KW) weight(KG)
DSL5 DN125 120 3000 DN25 60 0.09 115
DSL6 DN150 160 5900 DN40 150 0.18 170
DSL8 DN 200 300 5900 DN50 1 50 0.18 185
DSL10 DN250 450 3500 DN50 200 0.37 230
DSL12 DN 300 650 9500 DN50 200 0.37 265
DSL14 DN350 900 1 2000 DN50 350 0.55 430
DSL16 DN400 1200 12000 DN50 350 0.55 450
DSL18 DN450 1500 1 5000 DN65 350 0.75 680
DSL20 DN500 2000 1 5000 DN65 350 0.75 720
DSL24 DN600 2000 1 8000 DN65 350 0.75 915

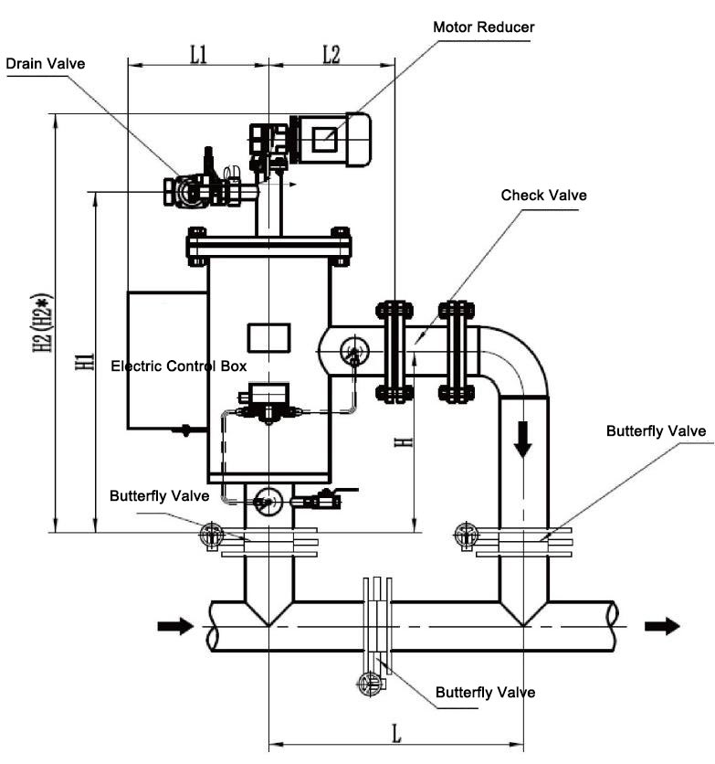
Mounting Size

M odel number ØD(mm) H(mm) H1(mm) H2(mm) H2″(mm) L 1(mm) L2(mm) L(mm)
DSL5 273 400 753 926 1 500 320 280 600
DSL6 335 800 1300 1527 2700 310 350 1000
DSL8 335 800 1 300 1527 2700 310 350 1000
DSL1 0 425 800 1375 1 606 2600 400 400 1200
DSL1 2 425 900 1375 1 606 2600 400 400 1200
DSL14 612 900 1552 1784 3000 525 500 1500
DSL1 6 612 900 1552 1784 3000 525 500 1 500
DSL1 8 816 950 1700 1943 3200 605 600 1 600
DSL20 816 950 1700 1943 3200 605 600 1 600
DSL24 916 1000 1722 1963 3200 640 650 2000

Applications

  • Cooling water treatment cooling tower, make-up water system, air-conditioning system, and direct-flow system water filtration to reduce the generation of sediment in the heat exchanger and maintain its coling effect.
  • Raw water treatment Filter surface river water, lake water, sea water, reservoir water, well water and groundwater to remove sand, bacteria, algae, organic matter, etc.
  • Filtration of industrial circulating water In equipment that has certain requirements for water quality, such as: cooling towers, rolling mills, continuous casting machines, polishing, water pumps, solenoid valves, ion exchangers, spray fins, heat exchangers, or on water supply pipelines to filter out impurities in water and avoid clogging of pipelines, nozzles and other components.
  • Irrigation Especially suitable for water sources with high impurity content, agricultural irrigation, spraying parks, golf courses, turf irrigation, etc.

Request Quotation

DSL Series Brush Self-cleaning Filter